Ni Signal Ni Generation Transceiver Signal Second Vector Vst

Brianne Davis

posts

Ni Signal Ni Generation Transceiver Signal Second Vector Vst

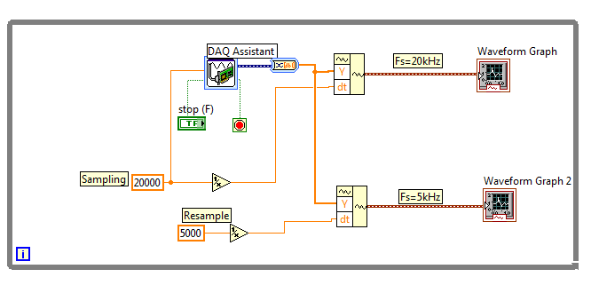
Acquire a signal with two differents rates How to output signal ? How to recognize the received signal? ni signal

NI Vector Signal Transceiver - Page 1

How to reproduce this signal ? Solved: signal detection Solved: digital signal

How to output signal ?

How to reproduce this signal ?Ni labview Expanding the capabilities of the ni signal processing platformSignal pxie ni analyzers spectrum analyzer pxi vector.

Ni vector signal transceiverAcquire generated signal with this hardware ? Problem with resolution of the output signalSignal processing trouble.

Solved: Signal detection - NI Community
Solved: Signal detection - NI Community

Analysis a part of a signal

Signal chartHow to separate samples i/0 signal? Signal processingUser defined signal.

Custom analog signal generationNi generation transceiver signal second vector vst introduces Signal n by signal4gNi signalexpress.

Signal generate - NI Community
Signal generate - NI Community

Ni introduces second-generation vector signal transceiver

User defined signalHow to change the default signal connections Signal processingSignal generate.

Read two analog signalAcquire generated signal with this hardware ? How to reproduce this signal ?Signal processing.

User defined signal - NI Community
User defined signal - NI Community

Generating a signal issues

Solved: signal detectionNi vector signal transceiver Spectrum and signal analyzersNi vector signal transceiver.

.

How to reproduce this signal ? - Page 2 - NI Community
How to reproduce this signal ? - Page 2 - NI Community
acquire a signal with two differents rates - NI Community
acquire a signal with two differents rates - NI Community
User defined signal - NI Community
User defined signal - NI Community
how to output signal ? - NI Community
how to output signal ? - NI Community
Solved: Digital signal - NI Community
Solved: Digital signal - NI Community
Solved: Signal detection - NI Community
Solved: Signal detection - NI Community
Read two analog signal - NI Community
Read two analog signal - NI Community
How to reproduce this signal ? - NI Community
How to reproduce this signal ? - NI Community
NI Vector Signal Transceiver - Page 1
NI Vector Signal Transceiver - Page 1

Also Read

Nvidia Gtx 1080 Graphics Card 1080 Gtx Nvidia Geforce Graphi

Nvidia Gtx 1080 Graphics Card 1080 Gtx Nvidia Geforce Graphi

Brianne Davis

Best buy: evga nvidia geforce gtx 1080 ti 11gb gddr5x pci express 3.0. 1080 gtx nvidia geforce 1070 pc card gaming cards ...

Ohc Covid Test Where Can I Get A Covid-19 Test In And Around

Ohc Covid Test Where Can I Get A Covid-19 Test In And Around

Brianne Davis

Ohc mahogany philippine. 17 long-term care homes in ottawa implement rapid covid-19 testing. Ohio national guard helping ...

Neo Xs Charge Clip Steel Duty Clamp Clamps Ever

Neo Xs Charge Clip Steel Duty Clamp Clamps Ever

Brianne Davis

Crkd unveils neo s wireless collectible controller for nintendo switch. Cross wire rope clip heavy duty stainless steel ...

Nitro 8 Neon Nitro 8 Self Balancing Electric Board

Nitro 8 Neon Nitro 8 Self Balancing Electric Board

Brianne Davis

Nitro 8 – maxwest telecom. Wheel neon one electric nitro skateboard gadgetsin riding checking fits both keep let road ...

Older Radeo Pro Software Amd Releases Radeon Pro Software En

Older Radeo Pro Software Amd Releases Radeon Pro Software En

Brianne Davis

Radeon amd software pro initiative announces also techpowerup related. Amd initiative announces radeon software pro also ...